
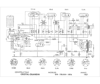
Marque :
Cristal Grandin
Modèle :
019-178
Type appareil :
récepteur à tubes
Année :
1957
Pays d'origine :
France
