
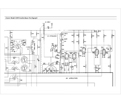
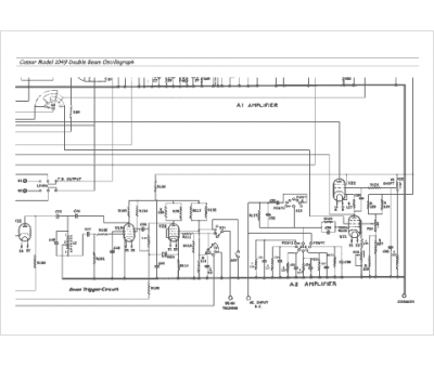
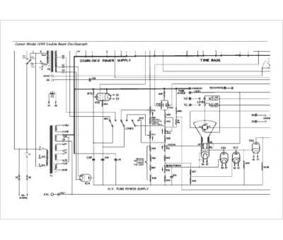
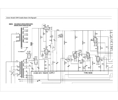
Marque :
Cossor
Modèle :
1049 MK II
Type appareil :
appareil de mesure
Pays d'origine :
Grande-Bretagne
