
Marque :
Continental
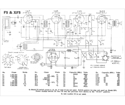
Modèle :
XF-5
Type appareil :
récepteur à tubes
Année :
1940
Pays d'origine :
Allemagne, États-Unis
