
Marque :
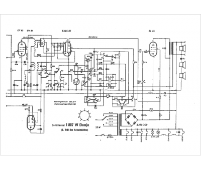
Continental
Modèle :
Imperial 807 W Dunja
Type appareil :
récepteur à tubes
Pays d'origine :
Allemagne, États-Unis
