
Marque :
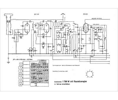
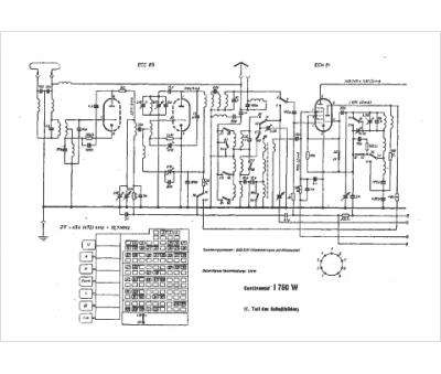
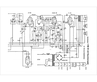
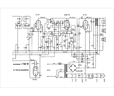
Continental
Modèle :
Imperial 760 W
Type appareil :
récepteur à tubes
Pays d'origine :
Allemagne, États-Unis
