
Marque :
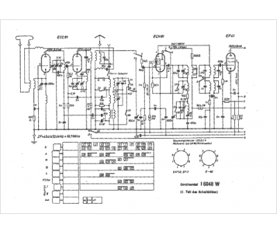
Continental
Modèle :
Imperial 6048 W
Type appareil :
récepteur à tubes
Pays d'origine :
Allemagne, États-Unis
