
Marque :
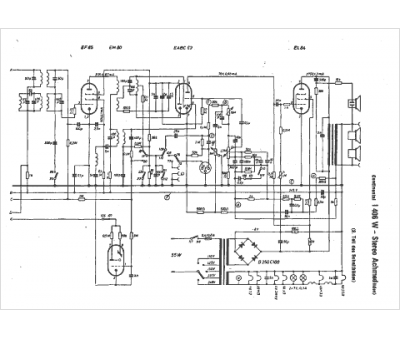
Continental
Modèle :
Imperial 406 W Achmed
Type appareil :
récepteur à tubes
Pays d'origine :
Allemagne, États-Unis
