
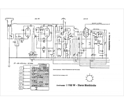
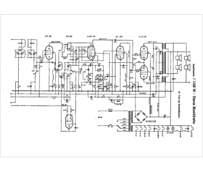
Marque :
Continental
Modèle :
Imperial 1150 W
Type appareil :
récepteur à tubes
Pays d'origine :
Allemagne, États-Unis
