
Marque :
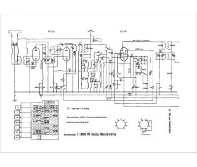
Continental
Modèle :
Imperial 1006 W Saida
Type appareil :
récepteur à tubes
Pays d'origine :
Allemagne, États-Unis
