
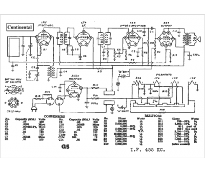
Marque :
Continental
Modèle :
G5
Type appareil :
récepteur à tubes
Année :
1941
Pays d'origine :
Allemagne, États-Unis
