
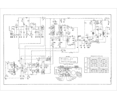
Marque :
Continental Edison
Modèle :
TR 577
Type appareil :
récepteur à transistors
Pays d'origine :
France
