
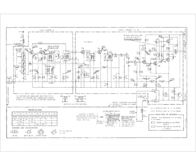
Marque :
Continental Edison
Modèle :
AR 5972
Type appareil :
auto-radio à transistors
Pays d'origine :
France
