
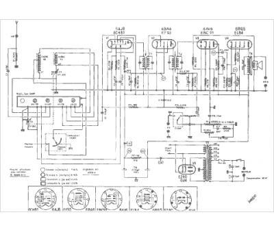
Marque :
Continental Edison
Modèle :
A 531
Type appareil :
récepteur à tubes
Année :
1957
Pays d'origine :
France
