
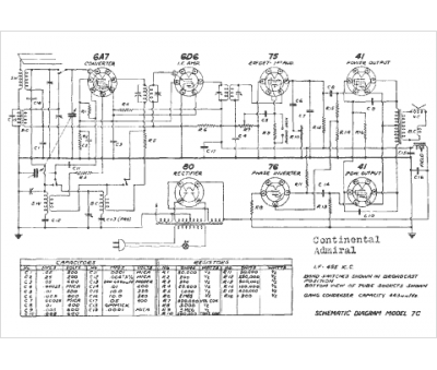
Marque :
Continental
Modèle :
7C
Type appareil :
récepteur à tubes
Année :
1940
Pays d'origine :
Allemagne, États-Unis
