
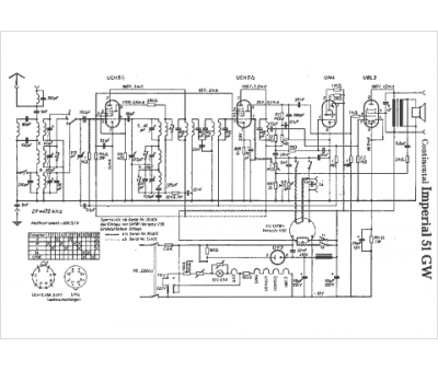
Marque :
Continental
Modèle :
51 GW
Type appareil :
récepteur à tubes
Pays d'origine :
Allemagne, États-Unis
