
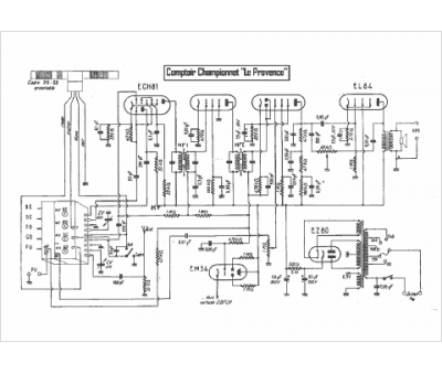
Marque :
Comptoir Championnet
Modèle :
Le Provence
Type appareil :
récepteur à tubes
Pays d'origine :
France
