
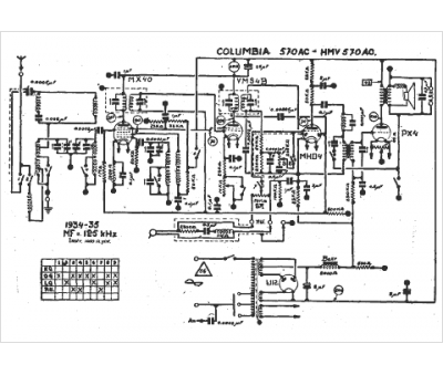
Marque :
Columbia
Modèle :
570 AC
Type appareil :
récepteur à tubes
Année :
1934
Pays d'origine :
Grande-Bretagne, États-Unis
