Retour à l'accueil
 
 
Recherche de schémas
Collection CD/DVD

Service schémathèque 

1 document correspond à votre recherche.

Caractéristiques de l'appareil
Marque :
Cofadel
Modèle :
TR5512
Type appareil :
récepteur à transistors
1 document correspondant à cet appareil
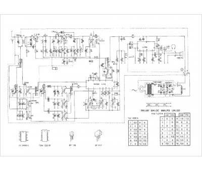
Schéma Cofadel R1413, Cofadel R432, Cofadel RS845, Cofadel TR5512, Cofadel TR5512
4 pages.
Document présent dans Rétro-docs 7 Acheter
En ligne, disponible en téléchargement Télécharger
La consultation de cet espace schémathèque est en accès libre.