Retour à l'accueil
 
 
Recherche de schémas
Collection CD/DVD

Service schémathèque 

1 document correspond à votre recherche.

Caractéristiques de l'appareil
Marque :
Cofadel
Modèle :
PX2
Type appareil :
récepteur à transistors
1 document correspondant à cet appareil
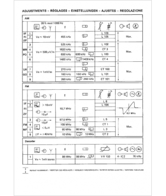
Schéma Cofadel PX2, Cofadel R2309, Cofadel R739S
4 pages.
Document présent dans Rétro-docs 7 Acheter
En ligne, disponible en téléchargement Télécharger
La consultation de cet espace schémathèque est en accès libre.