
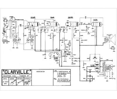
Marque :
Clarville
Modèle :
Tenor 57
Type appareil :
récepteur à tubes
Pays d'origine :
France
