
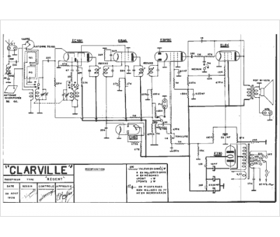
Marque :
Clarville
Modèle :
Regent
Type appareil :
récepteur à tubes
Pays d'origine :
France
