
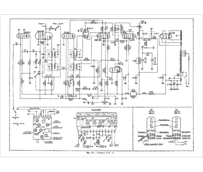
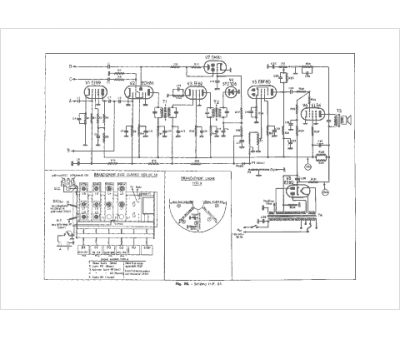
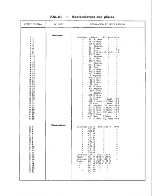
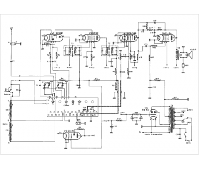
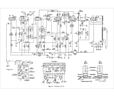
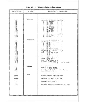
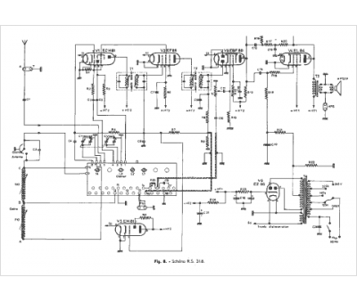
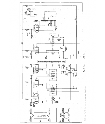
Marque :
Clarville
Modèle :
RA 61
Type appareil :
récepteur à tubes
Année :
1960
Pays d'origine :
France
