
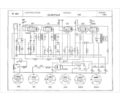
Marque :
Clarville
Modèle :
PS2
Type appareil :
récepteur à tubes
Année :
1951
Pays d'origine :
France
