
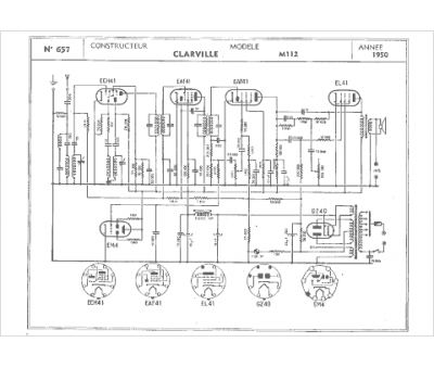
Marque :
Clarville
Modèle :
M112
Type appareil :
récepteur à tubes
Année :
1950
Pays d'origine :
France
