
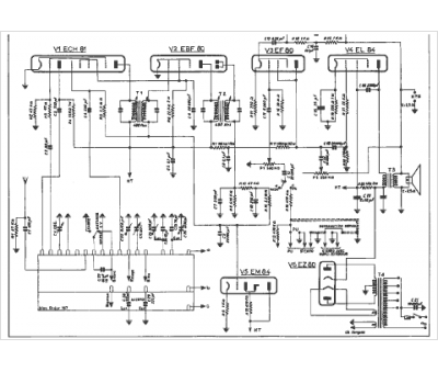
Marque :
Clarville
Modèle :
M 150
Type appareil :
récepteur à tubes
Année :
1963
Pays d'origine :
France
