
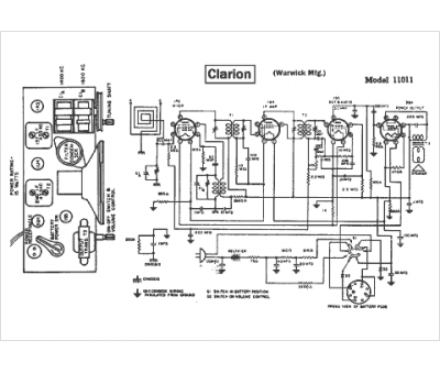
Marque :
Clarion
Modèle :
11011
Type appareil :
récepteur à tubes
Année :
1948
Pays d'origine :
États-Unis
