
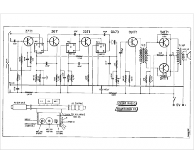
Marque :
Cibot
Modèle :
Transonor 62
Type appareil :
récepteur à transistors
Pays d'origine :
France
