
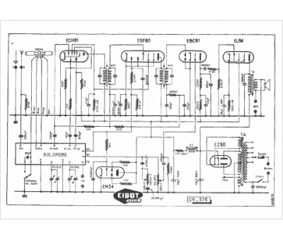
Marque :
Cibot
Modèle :
CR 576
Type appareil :
récepteur à tubes
Pays d'origine :
France
