
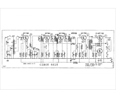
Marque :
Cibot
Modèle :
661T
Type appareil :
récepteur à transistors
Pays d'origine :
France
