
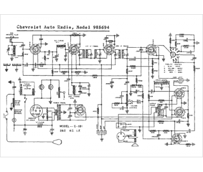
Marque :
Chevrolet
Modèle :
985694
Type appareil :
récepteur à tubes
Année :
1941
Pays d'origine :
États-Unis
