
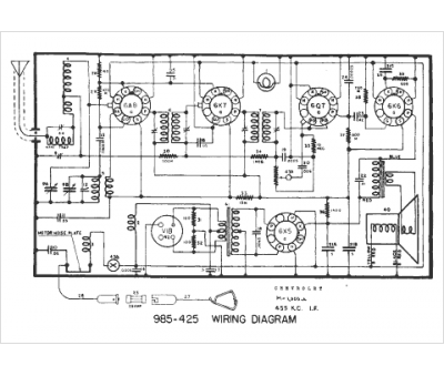
Marque :
Chevrolet
Modèle :
985425
Type appareil :
récepteur à tubes
Année :
1939
Pays d'origine :
États-Unis
