
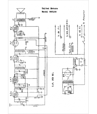
Marque :
Chevrolet
Modèle :
985100
Type appareil :
récepteur à tubes
Année :
1938
Pays d'origine :
États-Unis
