
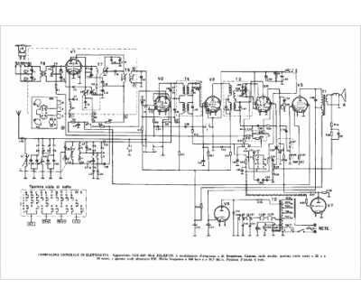
Marque :
CGE
Modèle :
6587 Joliefon
Type appareil :
récepteur à tubes
Pays d'origine :
Italie
