
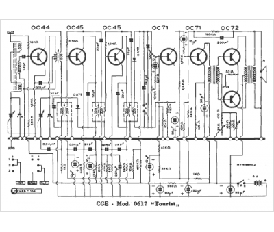
Marque :
CGE
Modèle :
617 Tourist
Type appareil :
récepteur à tubes
Pays d'origine :
Italie
