
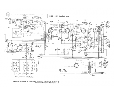
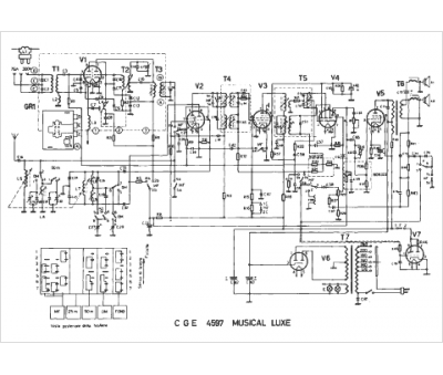
Marque :
CGE
Modèle :
4597 Musical Luxe
Type appareil :
récepteur à tubes
Pays d'origine :
Italie
