
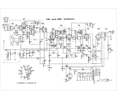
Marque :
CGE
Modèle :
1586 Audioletta
Type appareil :
récepteur à tubes
Pays d'origine :
Italie
