
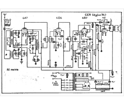
Marque :
Cer
Modèle :
Aiglon 36
Type appareil :
récepteur à tubes
Année :
1936
