
Marque :
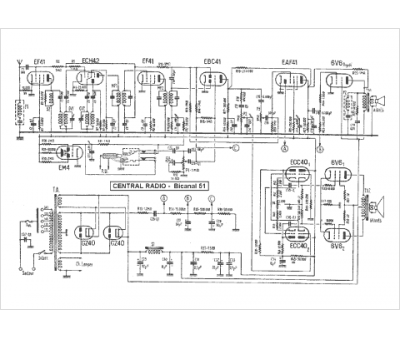
Central Radio
Modèle :
Bicanal 51
Type appareil :
récepteur à tubes
Pays d'origine :
France
