
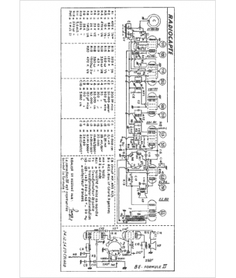
Marque :
Celard
Modèle :
Radiocapte
Type appareil :
récepteur à tubes
Année :
1954
Pays d'origine :
France
