
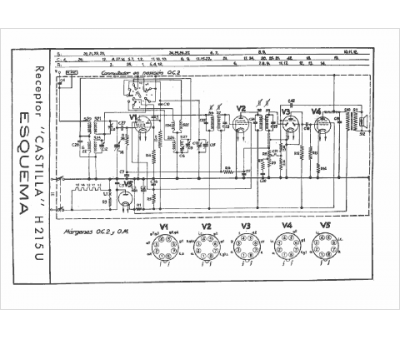
Marque :
Castilla
Modèle :
H 215 U
Type appareil :
récepteur à tubes
Pays d'origine :
Espagne
