
Marque :
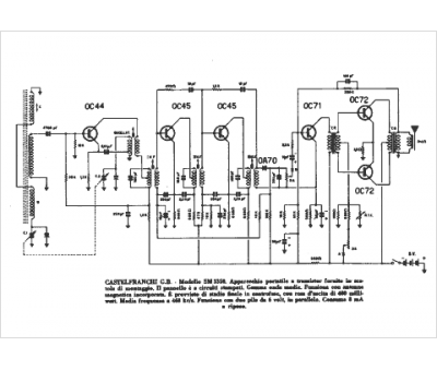
Castelfranchi
Modèle :
SM 3350
Type appareil :
récepteur à tubes
Pays d'origine :
Italie
