
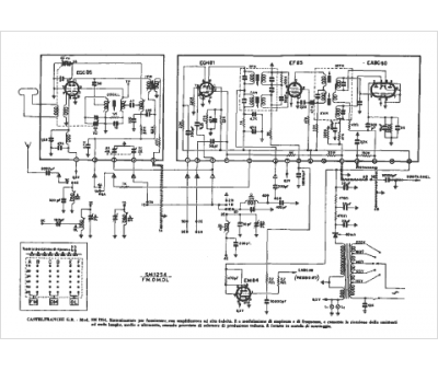
Marque :
Castelfranchi
Modèle :
SM 1254
Type appareil :
récepteur à tubes
Pays d'origine :
Italie
