
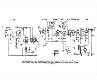
Marque :
Castelfranchi
Modèle :
FM 2
Type appareil :
récepteur à tubes
Pays d'origine :
Italie
