
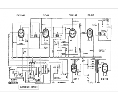
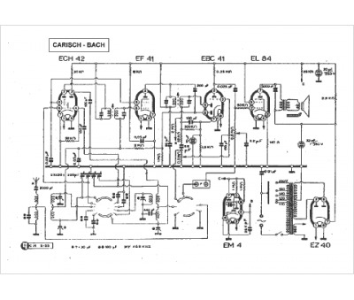
Marque :
Carisch
Modèle :
Bach
Type appareil :
récepteur à tubes
Pays d'origine :
Italie
