
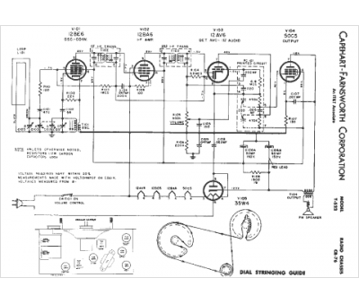
Marque :
Capehart
Modèle :
T-522
Type appareil :
récepteur à tubes
Année :
1953
Pays d'origine :
États-Unis
