
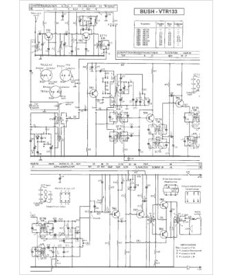
Marque :
Bush
Modèle :
VTR 133
Type appareil :
récepteur à tubes
Pays d'origine :
Grande-Bretagne
