
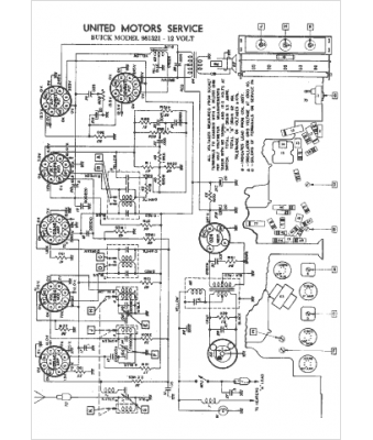
Marque :
Buick
Modèle :
981321
Type appareil :
récepteur à tubes
Année :
1953
Pays d'origine :
États-Unis
