
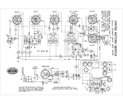
Marque :
Buick
Modèle :
980797
Type appareil :
récepteur à tubes
Année :
1949
Pays d'origine :
États-Unis
