
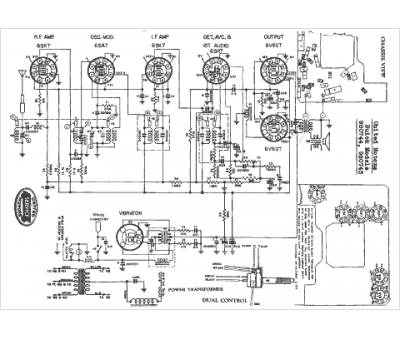
Marque :
Buick
Modèle :
980745
Type appareil :
récepteur à tubes
Année :
1948
Pays d'origine :
États-Unis
