
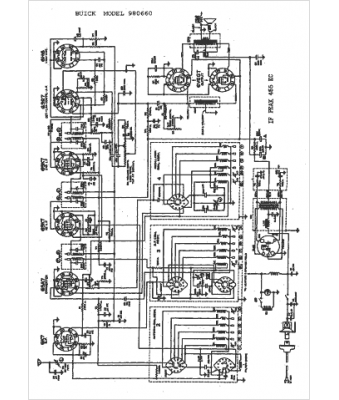
Marque :
Buick
Modèle :
980660
Type appareil :
récepteur à tubes
Année :
1942
Pays d'origine :
États-Unis
